巴沙足球平台
您好,欢迎来到巴沙足球平台官网!
咨询热线:0510--85167888
设为主页
巴沙足球平台商城
日本母公司
美国ADC
语言版本
CN
EN
JAPAN
巴沙足球平台首页
关于我们
公司简介
领导致辞
企业文化
公司声明
产品展示
新品推荐
可编程控制器
旋转编码器
工业触摸屏
接近开关
电路计数器
电路凸轮开关
显示设定单元
中间继电器
开关电源
资料中心
资料下载
教学视频
应用案例
FAQ
公益事业
爱心工程
社会责任
新闻资讯
公司新闻
行业资讯
展会信息
招聘信息
公司通知
客服中心
办事处
联系我们
产品展示
当前位置:
首页
-
产品展示
-
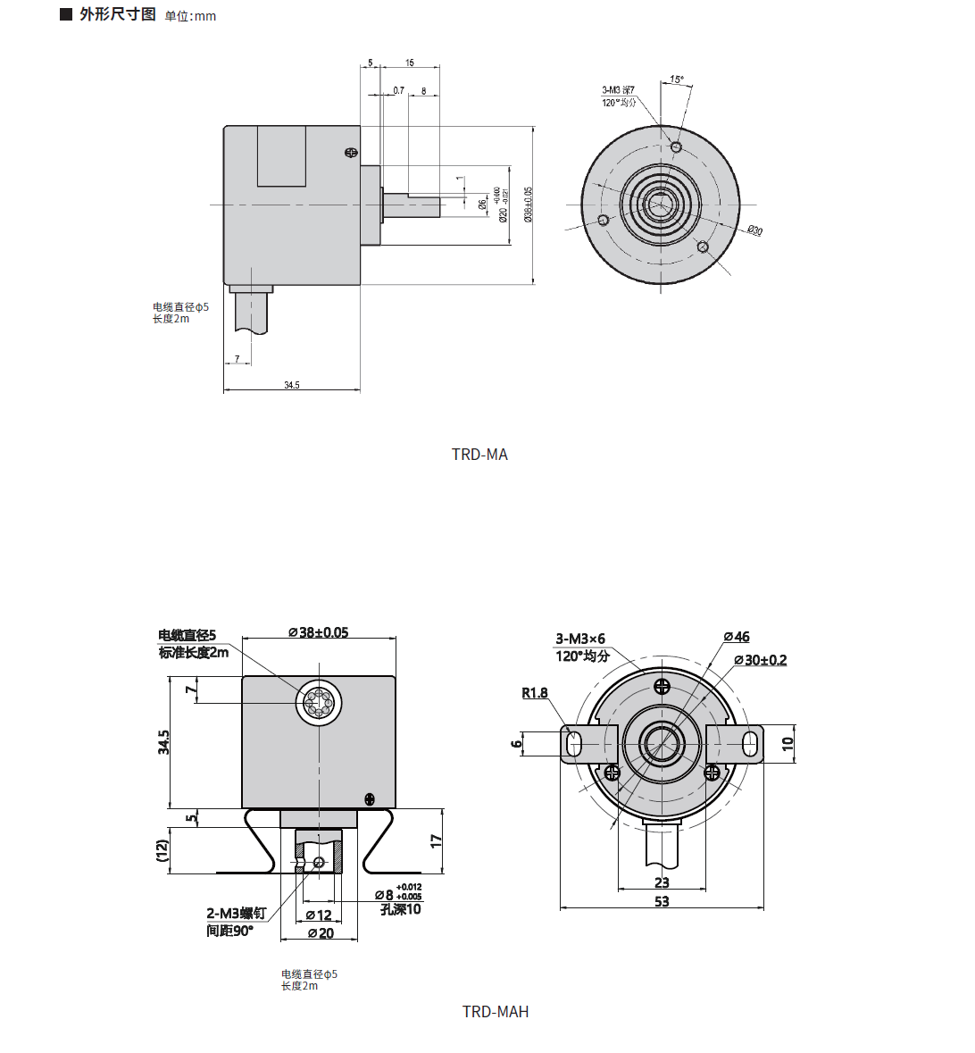
TRD-MA
TRD-MA
2020-03-02
2808
外径Φ38mm
高度35mm
实心轴和空心轴可选
输出编码:二进制格雷码
保护构造:IP50
上一条:
TRD-GN
下一条 :
NK1系列
返回
产品分类
新品推荐
可编程控制器
旋转编码器
工业触摸屏
接近开关
电路计数器
电路凸轮开关
显示设定单元
中间继电器
开关电源
巴沙足球平台商城
联系我们
返回顶部
网站首页
关于我们
公司简介
领导致辞
企业文化
公司声明
产品展示
新品推荐
可编程控制器
旋转编码器
工业触摸屏
接近开关
电路计数器
电路凸轮开关
显示设定单元
中间继电器
开关电源
资料下载
资料下载
教学视频
应用案例
常规问题FAQ
公益事业
爱心工程
社会责任
新闻资讯
公司新闻
行业资讯
展会信息
招聘信息
公司通知
客服中心
办事处
联系我们
巴沙足球平台商城
巴沙足球平台全球
日本母公司
美国ADC
语言版本
CN
EN
JAPAN
XML 地图