巴沙足球平台

产品展示

当前位置:首页 - 产品展示 - KEM-40M系列

KEM-40M系列

2022-08-12 2914

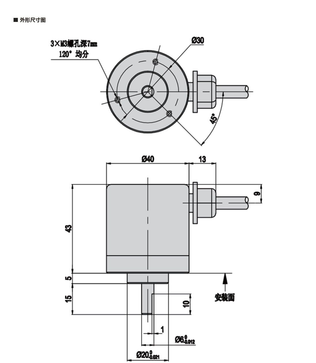
外径Φ40mm,高43mm

Φ6mm实心轴

单圈10bit,多圈6bit

多圈式SSI串行输出

二进制数据格式

零位置可任意设置





image.pngimage.pngimage.png







image.png



image.png



image.pngimage.png

image.png


image.png


image.png

image.pngimage.png


image.png

XML 地图